| Estado de Disponibilidad: | |
|---|---|
| Cantidad: | |
Él giro conducir es a caja de cambios ese lata sin peligro sostener radial y axial cargas, como bien como transmitir a esfuerzo de torsión por giratorio. Él rotation lata ser en a único eje, o en múltiple hachas juntos.
giro unidades están hecha por fabricación engranaje, aspectos, focas, alojamiento, motor y otro auxiliar componentes y montaje a ellos en a acabado caja de cambios.
Introducción:
Al adoptar el cojinete de giro como su componente central, el mecanismo de giro puede soportar la fuerza axial, la fuerza radial y el momento de inclinación simultáneamente.La unidad de giro se aplica ampliamente en remolques modulares, todo tipo de grúas, plataformas de trabajo aéreas, sistemas de seguimiento solar y sistemas de energía eólica.
Las cajas de cambios eléctricas y planetarias se pueden diseñar de acuerdo con los requisitos del cliente.La unidad de giro tiene la ventaja de ahorrar espacio en las instalaciones, capacidad de carga máxima en un diseño compacto, vida útil prolongada y costos de mantenimiento reducidos.
Glosario
1) Torque del momento de inclinación: el torque es la carga multiplicada por la distancia entre la posición de la carga y el centro del cojinete de giro.Si el par generado por la carga y la distancia es mayor que el par nominal del momento de inclinación, la unidad de giro se volcará.
2) Carga radial: carga vertical al eje del cojinete de giro
3) Carga axial: carga paralela al eje del cojinete de giro
4) Par de retención: Es el par inverso.Cuando la transmisión gira en sentido inverso y las piezas no están dañadas,
5) El par máximo alcanzado se denomina par de retención.
6) Autobloqueo: solo cuando está cargado, el mecanismo de giro no puede invertir la rotación y, por lo tanto, se denomina autobloqueo.
--El cliente puede elegir el motor de acuerdo con nuestra dimensión de conexión de la unidad de giro ya diseñada.
--Podemos diseñar la estructura de conexión de acuerdo con la dimensión de conexión del motor del cliente.
--Podemos ayudar a proporcionar todas las piezas con motor hidráulico, motor de CC, motor de CA, motor paso a paso o servomotor.
Unidad de giro de la serie WEA, la unidad de giro es una nueva serie de productos de giro, también denominada reductor de giro.Comúnmente se compone de tornillo sinfín, cojinete de giro, carcasa, adaptador de motor, tapa de extremo y otros componentes.Al adoptar el cojinete de giro como su componente central, el mecanismo de giro puede soportar la fuerza axial, la fuerza radial y el momento de inclinación simultáneamente.En comparación con la unidad de giro de la serie SE, la serie WEA tiene las ventajas de un mejor rendimiento de protección, excelente transmisión Torque, mejor resistencia al impacto y larga vida útil.
La unidad de giro de la serie WEA se aplica ampliamente en las partes relativamente giratorias de la maquinaria y el campo de la energía solar. Sistema de seguimiento solar Chasis giratorio de maquinaria de trabajo aéreo Camión grúa Perforadora de roca, máquina perforadora Máquina de agarre de madera, máquina de moldeo por código.

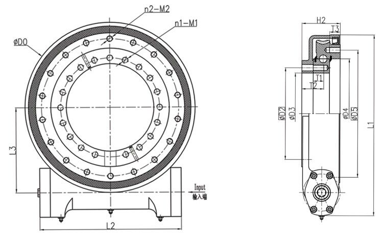
Modelo | Dimensiones externas | Dimensiones de instalación | Datos del orificio de montaje | |||||||||||||
| formato pdf | L1 | L2 | L3 | H2 | D0 | D2 | D3 | D4 | D5 | n1 | M1 | T1 | T2 | n2 | M2 | T3 |
milímetro | Anillo interior | Anillo exterior | ||||||||||||||
424 | 330 | 180 | 108 | 360 | 175 | 146 | 222.5 | 270 | 15 | M16 | 30 | 62 | 16 | M16 | 30 | |
509 | 370 | 222.5 | 108 | 445 | 259 | 229 | 310 | 358 | 19 | M16 | 30 | 62 | 18 | M16 | 30 | |
544 | 380 | 240 | 108 | 480 | 295 | 265 | 342 | 390 | 23 | M16 | 30 | 56 | 18 | M16 | 30 | |
534 | 405 | 285 | 108 | 570 | 365.1 | 332 | 430 | 479.4 | 20 | M16 | 32 | 62 | 20 | M16 | 32 | |
762 | 483 | 350 | 130 | 693 | 466.7 | 425 | 540 | 574.2 | 35 | M20 | 40 | 70 | 36 | M20 | 40 | |
861 | 513 | 399 | 130 | 793 | 565 | 525 | 630 | 675 | 35 | M20 | 40 | 70 | 36 | M20 | 40 | |
Modelo | Par nominal de salida kN.m | Torque de momento basculante kN.m | Carga axial estática kN | Carga radial estática kN | Carga axial dinámica kN | 56Carga Radial Dinámica kN | Par de retención kN.m | Equipo de radio | Velocidad de salida RPM | Engranajes autoblocantes | Peso kg |
WEA9 | 8 | 33.9 | 550 | 205 | 130 | 110 | 38.7 | 62:1 | <3 | Sí | 53kg |
WEA12 | 9.5 | 54.3 | 725 | 270 | 180 | 140 | 43 | 79:1 | <3 | Sí | 66,8 kg |
WEA14 | 10.8 | 67.8 | 920 | 343 | 220 | 190 | 48 | 86:1 | <3 | Sí | 75kg |
WEA17 | 12.96 | 135.6 | 1110 | 414 | 268 | 220 | 72.3 | 104:1 | <2 | Sí | 96kg |
WEA21 | 28.7 | 203 | 1595 | 596 | 340 | 270 | 105.8 | 90:1 | <1.5 | Sí | 172 kg |
WEA25 | 34.2 | 310 | 1850 | 690 | 440 | 320 | 158.3 | 104:1 | <1.5 | Sí | 202 kg |
Unidad de giro de carcasa cerrada, la unidad de giro se aplica principalmente a condiciones relativamente altas para requisitos altos para ocasiones a prueba de polvo, lluvia y anticorrosión.Grado de precisión IP65.
Nota
1. Se pueden diseñar diferentes motores (CA, CC, hidráulicos) de acuerdo con los requisitos del cliente.
2. El eje opuesto al motor puede elegir ser cabeza hexagonal o no cabeza hexagonal.
Él giro conducir es a modernizado llevar sobre el gusano conducir mecanismo ese fechas espalda muchos siglos y fue ampliamente usado durante el Renacimiento Era. papus de Alejandría (3ro siglo ANUNCIO),
a Griego matemático es acreditado por un temprano versión de el sin fin tornillo, cuales haría más tarde evolucionar en el gusano conducir.Este mecanismo fue además usado por leonardo da Vinci como a componente en muchos
de su diseños por maquinas.es lata además ser found en el cuadernos de francesco di Jorge de Siena.Muchas giro conducir conceptos found prominencia con el aparición de más grande escala construcción y
ingeniería en el altura de el Griego y romano imperios.
Tradicional gusano engranaje con a 4 inicio gusano.
giro unidades función con estándar gusano tecnología, en cuales el gusano sobre el horizontal eje hechos como el conductor por el engranaje. Él rotation de el horizontal tornillo vueltas a engranaje sobre un eje perpendicular a el tornillo eje.
Este combinación reduce el velocidad de el driven miembro y además multiplica su esfuerzo de torsión; creciente eso proporcionalmente como el velocidad disminuye. El velocidad relación de ejes depende sobre el relación de el número de
hilos sobre el gusano a el número de dientes en el gusano rueda o engranaje.
Como tecnología posee mejorado, más giro unidades están usando reloj de arena gusano tecnología, en cuales el gusano es conformado a comprometer más dientes en el equipo.Este aumentó diente compromiso resultados en greater
fuerza, eficiencia y durabilidad.
Porque de su múltiple usos, giro unidades ven en a variedad de modelo tamaños, rendimiento rangos y montaje características.
Él unidades están bien adecuado por aplicaciones ese requerir ambos carga tenencia y rotacional esfuerzo de torsión desde el mismo engranaje caja.
They lata además ser hecha con doble hachas de rotación, (torneado hachas en el mismo hora) o con doble unidades sobre el mismo eje, (dos gusano hilos conduciendo el mismo anillo engranaje en una eje).
Él especificaciones por unidades y engranajes varía dependiente sobre el material el engranaje es compuesto de. Sin embargo, a mayoria de el unidades y engranajes comúnmente usado están compuesto de acero y fósforo bronce.
De acuerdo a a un extenso serie de pruebas por el hamilton Engranaje & Máquina Co., escalofrío níquel-fósforo bronce clasificado primero en resistencia a vestir y deformación. Número dos sobre el lista fue SAE No. 65 bronce.Para bronce engranajes a bueno fundición deberían tengo el siguiente mínimo físico características:
Allí están muchos aplicaciones en cuales el giro conducir lata ser utilizado, ante todo porque eso es Perfecto por aplicaciones ese requerir ambos retención de carga poder y rotacional esfuerzo de torsión fuerza.
Típico giro conducir aplicaciones incluir pero están no limitado a:Solar rastreadores,viento turbinas, hombre Ascensores Hidráulicos Maquinaria, Telescópico manipuladores, Cavador grúas, Ascensores, grúas, Perforación equipo, Militar Equipo
Él giro conducir es a caja de cambios ese lata sin peligro sostener radial y axial cargas, como bien como transmitir a esfuerzo de torsión por giratorio. Él rotation lata ser en a único eje, o en múltiple hachas juntos.
giro unidades están hecha por fabricación engranaje, aspectos, focas, alojamiento, motor y otro auxiliar componentes y montaje a ellos en a acabado caja de cambios.
Introducción:
Al adoptar el cojinete de giro como su componente central, el mecanismo de giro puede soportar la fuerza axial, la fuerza radial y el momento de inclinación simultáneamente.La unidad de giro se aplica ampliamente en remolques modulares, todo tipo de grúas, plataformas de trabajo aéreas, sistemas de seguimiento solar y sistemas de energía eólica.
Las cajas de cambios eléctricas y planetarias se pueden diseñar de acuerdo con los requisitos del cliente.La unidad de giro tiene la ventaja de ahorrar espacio en las instalaciones, capacidad de carga máxima en un diseño compacto, vida útil prolongada y costos de mantenimiento reducidos.
Glosario
1) Torque del momento de inclinación: el torque es la carga multiplicada por la distancia entre la posición de la carga y el centro del cojinete de giro.Si el par generado por la carga y la distancia es mayor que el par nominal del momento de inclinación, la unidad de giro se volcará.
2) Carga radial: carga vertical al eje del cojinete de giro
3) Carga axial: carga paralela al eje del cojinete de giro
4) Par de retención: Es el par inverso.Cuando la transmisión gira en sentido inverso y las piezas no están dañadas,
5) El par máximo alcanzado se denomina par de retención.
6) Autobloqueo: solo cuando está cargado, el mecanismo de giro no puede invertir la rotación y, por lo tanto, se denomina autobloqueo.
--El cliente puede elegir el motor de acuerdo con nuestra dimensión de conexión de la unidad de giro ya diseñada.
--Podemos diseñar la estructura de conexión de acuerdo con la dimensión de conexión del motor del cliente.
--Podemos ayudar a proporcionar todas las piezas con motor hidráulico, motor de CC, motor de CA, motor paso a paso o servomotor.
Unidad de giro de la serie WEA, la unidad de giro es una nueva serie de productos de giro, también denominada reductor de giro.Comúnmente se compone de tornillo sinfín, cojinete de giro, carcasa, adaptador de motor, tapa de extremo y otros componentes.Al adoptar el cojinete de giro como su componente central, el mecanismo de giro puede soportar la fuerza axial, la fuerza radial y el momento de inclinación simultáneamente.En comparación con la unidad de giro de la serie SE, la serie WEA tiene las ventajas de un mejor rendimiento de protección, excelente transmisión Torque, mejor resistencia al impacto y larga vida útil.
La unidad de giro de la serie WEA se aplica ampliamente en las partes relativamente giratorias de la maquinaria y el campo de la energía solar. Sistema de seguimiento solar Chasis giratorio de maquinaria de trabajo aéreo Camión grúa Perforadora de roca, máquina perforadora Máquina de agarre de madera, máquina de moldeo por código.

Modelo | Dimensiones externas | Dimensiones de instalación | Datos del orificio de montaje | |||||||||||||
| formato pdf | L1 | L2 | L3 | H2 | D0 | D2 | D3 | D4 | D5 | n1 | M1 | T1 | T2 | n2 | M2 | T3 |
milímetro | Anillo interior | Anillo exterior | ||||||||||||||
424 | 330 | 180 | 108 | 360 | 175 | 146 | 222.5 | 270 | 15 | M16 | 30 | 62 | 16 | M16 | 30 | |
509 | 370 | 222.5 | 108 | 445 | 259 | 229 | 310 | 358 | 19 | M16 | 30 | 62 | 18 | M16 | 30 | |
544 | 380 | 240 | 108 | 480 | 295 | 265 | 342 | 390 | 23 | M16 | 30 | 56 | 18 | M16 | 30 | |
534 | 405 | 285 | 108 | 570 | 365.1 | 332 | 430 | 479.4 | 20 | M16 | 32 | 62 | 20 | M16 | 32 | |
762 | 483 | 350 | 130 | 693 | 466.7 | 425 | 540 | 574.2 | 35 | M20 | 40 | 70 | 36 | M20 | 40 | |
861 | 513 | 399 | 130 | 793 | 565 | 525 | 630 | 675 | 35 | M20 | 40 | 70 | 36 | M20 | 40 | |
Modelo | Par nominal de salida kN.m | Torque de momento basculante kN.m | Carga axial estática kN | Carga radial estática kN | Carga axial dinámica kN | 56Carga Radial Dinámica kN | Par de retención kN.m | Equipo de radio | Velocidad de salida RPM | Engranajes autoblocantes | Peso kg |
WEA9 | 8 | 33.9 | 550 | 205 | 130 | 110 | 38.7 | 62:1 | <3 | Sí | 53kg |
WEA12 | 9.5 | 54.3 | 725 | 270 | 180 | 140 | 43 | 79:1 | <3 | Sí | 66,8 kg |
WEA14 | 10.8 | 67.8 | 920 | 343 | 220 | 190 | 48 | 86:1 | <3 | Sí | 75kg |
WEA17 | 12.96 | 135.6 | 1110 | 414 | 268 | 220 | 72.3 | 104:1 | <2 | Sí | 96kg |
WEA21 | 28.7 | 203 | 1595 | 596 | 340 | 270 | 105.8 | 90:1 | <1.5 | Sí | 172 kg |
WEA25 | 34.2 | 310 | 1850 | 690 | 440 | 320 | 158.3 | 104:1 | <1.5 | Sí | 202 kg |
Unidad de giro de carcasa cerrada, la unidad de giro se aplica principalmente a condiciones relativamente altas para requisitos altos para ocasiones a prueba de polvo, lluvia y anticorrosión.Grado de precisión IP65.
Nota
1. Se pueden diseñar diferentes motores (CA, CC, hidráulicos) de acuerdo con los requisitos del cliente.
2. El eje opuesto al motor puede elegir ser cabeza hexagonal o no cabeza hexagonal.
Él giro conducir es a modernizado llevar sobre el gusano conducir mecanismo ese fechas espalda muchos siglos y fue ampliamente usado durante el Renacimiento Era. papus de Alejandría (3ro siglo ANUNCIO),
a Griego matemático es acreditado por un temprano versión de el sin fin tornillo, cuales haría más tarde evolucionar en el gusano conducir.Este mecanismo fue además usado por leonardo da Vinci como a componente en muchos
de su diseños por maquinas.es lata además ser found en el cuadernos de francesco di Jorge de Siena.Muchas giro conducir conceptos found prominencia con el aparición de más grande escala construcción y
ingeniería en el altura de el Griego y romano imperios.
Tradicional gusano engranaje con a 4 inicio gusano.
giro unidades función con estándar gusano tecnología, en cuales el gusano sobre el horizontal eje hechos como el conductor por el engranaje. Él rotation de el horizontal tornillo vueltas a engranaje sobre un eje perpendicular a el tornillo eje.
Este combinación reduce el velocidad de el driven miembro y además multiplica su esfuerzo de torsión; creciente eso proporcionalmente como el velocidad disminuye. El velocidad relación de ejes depende sobre el relación de el número de
hilos sobre el gusano a el número de dientes en el gusano rueda o engranaje.
Como tecnología posee mejorado, más giro unidades están usando reloj de arena gusano tecnología, en cuales el gusano es conformado a comprometer más dientes en el equipo.Este aumentó diente compromiso resultados en greater
fuerza, eficiencia y durabilidad.
Porque de su múltiple usos, giro unidades ven en a variedad de modelo tamaños, rendimiento rangos y montaje características.
Él unidades están bien adecuado por aplicaciones ese requerir ambos carga tenencia y rotacional esfuerzo de torsión desde el mismo engranaje caja.
They lata además ser hecha con doble hachas de rotación, (torneado hachas en el mismo hora) o con doble unidades sobre el mismo eje, (dos gusano hilos conduciendo el mismo anillo engranaje en una eje).
Él especificaciones por unidades y engranajes varía dependiente sobre el material el engranaje es compuesto de. Sin embargo, a mayoria de el unidades y engranajes comúnmente usado están compuesto de acero y fósforo bronce.
De acuerdo a a un extenso serie de pruebas por el hamilton Engranaje & Máquina Co., escalofrío níquel-fósforo bronce clasificado primero en resistencia a vestir y deformación. Número dos sobre el lista fue SAE No. 65 bronce.Para bronce engranajes a bueno fundición deberían tengo el siguiente mínimo físico características:
Allí están muchos aplicaciones en cuales el giro conducir lata ser utilizado, ante todo porque eso es Perfecto por aplicaciones ese requerir ambos retención de carga poder y rotacional esfuerzo de torsión fuerza.
Típico giro conducir aplicaciones incluir pero están no limitado a:Solar rastreadores,viento turbinas, hombre Ascensores Hidráulicos Maquinaria, Telescópico manipuladores, Cavador grúas, Ascensores, grúas, Perforación equipo, Militar Equipo
Casa | Sobre nosotros | Productos | Noticias | Solicitud | Apoyo | Contáctenos