| Estado de Disponibilidad: | |
|---|---|
| Cantidad: | |
A cojinete de giro o anillo giratorio es un rotacionalrodamiento de elementos rodantes o cojinete liso que normalmente soporta una carga pesada pero de giro lento o de oscilación lenta, a menudo una plataforma horizontal como una convencional grua, a jardinero oscilante, o la plataforma frente al viento de un eje horizontal molino.(To 'slew' significa girar sin cambiar de lugar.)
En comparación con otros cojinetes de elementos rodantes, los cojinetes de giro tienen una sección delgada y, a menudo, se fabrican en diámetros de un metro o más;los cojinetes de giro en el Rueda de Falkirk tienen 4 metros de diámetro y caben sobre un eje de 3,5 metros.Los cojinetes de giro se parecen a los cojinetes de superficie de control de aviones de gran tamaño.
Los rodamientos giratorios suelen utilizar dos filas de elementos rodantes.Suelen utilizar tres la raza elementos, como un anillo interior y dos 'mitades' del anillo exterior que se sujetan axialmente.
Los cojinetes de giro a menudo se fabrican con dientes de engranaje integrales con la pista interior o exterior, utilizado para conducir la plataforma en relación con la base.
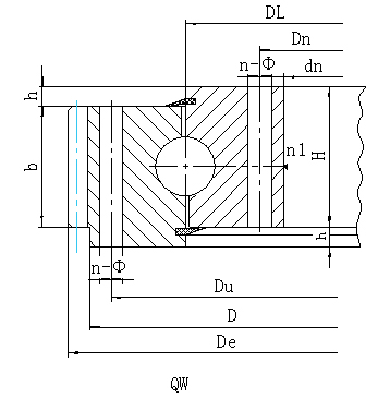
NO. | Modelo | Dimensiones (mm) | Dimensiones de montaje (mm) | Estructural Dimensión (mm) | Datos del equipo | ||||||||||||
Engranaje externo | H | Du | Dn | n | A través de agujero A | Roscado agujero B/C/D | n1 Petróleo taza cantidad | h | B | m | x=-0.5 | ||||||
Delaware | Engranaje Cantidad z | Peso | |||||||||||||||
D | d | φ | d1 | T | |||||||||||||
milímetro | milímetro | milímetro | milímetro | kg | |||||||||||||
1 | QW.315.20 | 406 | 222 | 60 | 370 | 260 | 10 | 17 | M16 | 24 | 2 | 10 | 40 | 3 | 423 | 140 | 35 |
QW.315.20A | 4 | 428 | 106 | 36 | |||||||||||||
2 | QW.355.20 | 446 | 262 | 60 | 410 | 300 | 10 | 17 | M16 | 24 | 2 | 10 | 40 | 3 | 462 | 153 | 40 |
QW.355.20A | 4 | 468 | 116 | 41 | |||||||||||||
3 | QW.400.20 | 490 | 307 | 60 | 455 | 345 | 12 | 17 | M16 | 24 | 2 | 10 | 40 | 4 | 512 | 127 | 45 |
QW.400.20A | 5 | 520 | 103 | 47 | |||||||||||||
4 | QW.450.20 | 540 | 357 | 60 | 505 | 395 | 12 | 17 | M16 | 24 | 2 | 10 | 40 | 4 | 564 | 140 | 51 |
QW.450.20A | 5 | 570 | 113 | 53 | |||||||||||||
5 | QW.500.20 | 590 | 407 | 60 | 555 | 445 | 14 | 17 | M16 | 24 | 2 | 10 | 40 | 5 | 615 | 122 | 56 |
QW.500.20A | 6 | 624 | 103 | 58 | |||||||||||||
6 | QW.560.20 | 654 | 464 | 70 | 618 | 502 | 14 | 17 | M16 | 30 | 2 | 10 | 50 | 4 | 680 | 169 | 78 |
QW.560.20A | 5 | 685 | 136 | 79 | |||||||||||||
7 | QW.630.20 | 724 | 534 | 70 | 688 | 572 | 16 | 17 | M16 | 30 | 2 | 10 | 50 | 4 | 748 | 186 | 86 |
QW.630.20A | 5 | 755 | 150 | 88 | |||||||||||||
8 | QW.710.20 | 804 | 614 | 70 | 768 | 652 | 18 | 17 | M16 | 30 | 2 | 10 | 50 | 5 | 835 | 166 | 99 |
QW.710.20A | 6 | 840 | 139 | 101 | |||||||||||||
9 | QW.800.20 | 894 | 704 | 70 | 858 | 742 | 20 | 17 | M16 | 30 | 2 | 10 | 50 | 6 | 930 | 154 | 114 |
QW.800.20A | 8 | 936 | 116 | 114 | |||||||||||||
10 | QW.800.25 | 904 | 692 | 78 | 864 | 736 | 18 | 22 | M20 | 36 | 2 | 10 | 58 | 6 | 942 | 156 | 143 |
QW.800.25A | 8 | 952 | 118 | 147 | |||||||||||||
11 | QW.900.25 | 1004 | 792 | 78 | 964 | 836 | 20 | 22 | M20 | 36 | 2 | 10 | 58 | 8 | 1048 | 130 | 162 |
QW.900.25A | 10 | 1060 | 105 | 168 | |||||||||||||
12 | QW.1000.25 | 1104 | 892 | 78 | 1064 | 936 | 24 | 22 | M20 | 36 | 2 | 10 | 58 | 8 | 1152 | 143 | 182 |
QW.1000.25A | 10 | 1160 | 115 | 185 | |||||||||||||
13 | QW.1000.32 | 1120 | 876 | 90 | 1074 | 926 | 24 | 24 | M22 | 40 | 2 | 10 | 70 | 8 | 1160 | 144 | 227 |
QW.1000.32A | 10 | 1170 | 116 | 232 | |||||||||||||
14 | QW.1120.32 | 1240 | 996 | 90 | 1194 | 1046 | 28 | 24 | M22 | 40 | 4 | 10 | 70 | 10 | 1300 | 129 | 272 |
QW.1120.32A | 12 | 1308 | 108 | 275 | |||||||||||||
15 | QW.1250.32 | 1370 | 1126 | 90 | 1324 | 1176 | 32 | 24 | M22 | 40 | 4 | 10 | 70 | 10 | 1430 | 142 | 302 |
QW.1250.32A | 12 | 1440 | 119 | 309 | |||||||||||||
16 | QW.1400.32 | 1520 | 1276 | 90 | 1474 | 1326 | 36 | 24 | M22 | 40 | 4 | 10 | 70 | 12 | 1584 | 131 | 337 |
QW.1400.32A | 14 | 1596 | 113 | 347 | |||||||||||||
17 | QW.1250.40 | 1390 | 1108 | 102 | 1336 | 1164 | 32 | 26 | M24 | 45 | 4 | 12 | 80 | 10 | 1450 | 144 | 396 |
QW.1250.40A | 12 | 1452 | 120 | 392 | |||||||||||||
18 | QW.1400.40 | 1540 | 1258 | 102 | 1486 | 1314 | 36 | 26 | M24 | 45 | 4 | 12 | 80 | 12 | 1608 | 133 | 448 |
QW.1400.40A | 14 | 1610 | 114 | 443 | |||||||||||||
19 | QW.1600.40 | 1740 | 1458 | 102 | 1686 | 1514 | 40 | 26 | M24 | 45 | 4 | 12 | 80 | 12 | 1812 | 150 | 528 |
QW.1600.40A | 14 | 1820 | 129 | 534 | |||||||||||||
20 | QW.1800.40 | 1940 | 1658 | 102 | 1886 | 1714 | 44 | 26 | M24 | 45 | 4 | 12 | 80 | 14 | 2016 | 143 | 583 |
QW.1800.40A | 16 | 2032 | 126 | 607 | |||||||||||||
21 | QW.1600.50 | 1762 | 1434 | 124 | 1704 | 1496 | 40 | 30 | M27 | 50 | 4 | 12 | 100 | 12 | 1824 | 151 | 714 |
QW.1600.50A | 14 | 1834 | 130 | 727 | |||||||||||||
22 | QW.1800.50 | 1964 | 1634 | 124 | 1904 | 1696 | 44 | 30 | M27 | 50 | 4 | 12 | 100 | 14 | 2044 | 145 | 845 |
QW.1800.50A | 16 | 2048 | 127 | 843 | |||||||||||||
23 | QW.2000.50 | 2162 | 1834 | 124 | 2104 | 1896 | 48 | 30 | M27 | 50 | 6 | 12 | 100 | 16 | 2240 | 139 | 912 |
QW.2000.50A | 18 | 2250 | 124 | 927 | |||||||||||||
24 | QW.2240.50 | 2402 | 2074 | 124 | 2344 | 2136 | 54 | 30 | M27 | 50 | 6 | 12 | 100 | 16 | 2480 | 154 | 1020 |
QW.2240.50A | 18 | 2502 | 138 | 1078 | |||||||||||||
25 | QW.2500.50 | 2662 | 2334 | 124 | 2604 | 2396 | 60 | 30 | M27 | 50 | 6 | 12 | 100 | 18 | 2754 | 152 | 1171 |
QW.2500.50A | 20 | 2760 | 137 | 1175 | |||||||||||||
26 | QW.2500.60 | 2696 | 2304 | 150 | 2626 | 2374 | 60 | 33 | M30 | 56 | 6 | 14 | 122 | 18 | 2790 | 154 | 1677 |
QW.2500.60A | 20 | 2800 | 139 | 1701 | |||||||||||||
Nota:
1. N1 es el número de orificios de lubricación.Copa de aceite M10×1JB/T7940.1~JB/T7940.
2. El pezón de aceite la ubicación se puede cambiar según la aplicación del usuario.
3. n-φ puede cambiar a orificio roscado, el diámetro del orificio roscado es M y la profundidad es 2M.
4. La fuerza tangencial del diente en la forma es la fuerza máxima del diente;la fuerza nominal del diente tangencial es 1/2 de la máxima.
5. 'K' es el coeficiente de reducción del apéndice.
A cojinete de giro o anillo giratorio es un rotacionalrodamiento de elementos rodantes o cojinete liso que normalmente soporta una carga pesada pero de giro lento o de oscilación lenta, a menudo una plataforma horizontal como una convencional grua, a jardinero oscilante, o la plataforma frente al viento de un eje horizontal molino.(To 'slew' significa girar sin cambiar de lugar.)
En comparación con otros cojinetes de elementos rodantes, los cojinetes de giro tienen una sección delgada y, a menudo, se fabrican en diámetros de un metro o más;los cojinetes de giro en el Rueda de Falkirk tienen 4 metros de diámetro y caben sobre un eje de 3,5 metros.Los cojinetes de giro se parecen a los cojinetes de superficie de control de aviones de gran tamaño.
Los rodamientos giratorios suelen utilizar dos filas de elementos rodantes.Suelen utilizar tres la raza elementos, como un anillo interior y dos 'mitades' del anillo exterior que se sujetan axialmente.
Los cojinetes de giro a menudo se fabrican con dientes de engranaje integrales con la pista interior o exterior, utilizado para conducir la plataforma en relación con la base.
NO. | Modelo | Dimensiones (mm) | Dimensiones de montaje (mm) | Estructural Dimensión (mm) | Datos del equipo | ||||||||||||
Engranaje externo | H | Du | Dn | n | A través de agujero A | Roscado agujero B/C/D | n1 Petróleo taza cantidad | h | B | m | x=-0.5 | ||||||
Delaware | Engranaje Cantidad z | Peso | |||||||||||||||
D | d | φ | d1 | T | |||||||||||||
milímetro | milímetro | milímetro | milímetro | kg | |||||||||||||
1 | QW.315.20 | 406 | 222 | 60 | 370 | 260 | 10 | 17 | M16 | 24 | 2 | 10 | 40 | 3 | 423 | 140 | 35 |
QW.315.20A | 4 | 428 | 106 | 36 | |||||||||||||
2 | QW.355.20 | 446 | 262 | 60 | 410 | 300 | 10 | 17 | M16 | 24 | 2 | 10 | 40 | 3 | 462 | 153 | 40 |
QW.355.20A | 4 | 468 | 116 | 41 | |||||||||||||
3 | QW.400.20 | 490 | 307 | 60 | 455 | 345 | 12 | 17 | M16 | 24 | 2 | 10 | 40 | 4 | 512 | 127 | 45 |
QW.400.20A | 5 | 520 | 103 | 47 | |||||||||||||
4 | QW.450.20 | 540 | 357 | 60 | 505 | 395 | 12 | 17 | M16 | 24 | 2 | 10 | 40 | 4 | 564 | 140 | 51 |
QW.450.20A | 5 | 570 | 113 | 53 | |||||||||||||
5 | QW.500.20 | 590 | 407 | 60 | 555 | 445 | 14 | 17 | M16 | 24 | 2 | 10 | 40 | 5 | 615 | 122 | 56 |
QW.500.20A | 6 | 624 | 103 | 58 | |||||||||||||
6 | QW.560.20 | 654 | 464 | 70 | 618 | 502 | 14 | 17 | M16 | 30 | 2 | 10 | 50 | 4 | 680 | 169 | 78 |
QW.560.20A | 5 | 685 | 136 | 79 | |||||||||||||
7 | QW.630.20 | 724 | 534 | 70 | 688 | 572 | 16 | 17 | M16 | 30 | 2 | 10 | 50 | 4 | 748 | 186 | 86 |
QW.630.20A | 5 | 755 | 150 | 88 | |||||||||||||
8 | QW.710.20 | 804 | 614 | 70 | 768 | 652 | 18 | 17 | M16 | 30 | 2 | 10 | 50 | 5 | 835 | 166 | 99 |
QW.710.20A | 6 | 840 | 139 | 101 | |||||||||||||
9 | QW.800.20 | 894 | 704 | 70 | 858 | 742 | 20 | 17 | M16 | 30 | 2 | 10 | 50 | 6 | 930 | 154 | 114 |
QW.800.20A | 8 | 936 | 116 | 114 | |||||||||||||
10 | QW.800.25 | 904 | 692 | 78 | 864 | 736 | 18 | 22 | M20 | 36 | 2 | 10 | 58 | 6 | 942 | 156 | 143 |
QW.800.25A | 8 | 952 | 118 | 147 | |||||||||||||
11 | QW.900.25 | 1004 | 792 | 78 | 964 | 836 | 20 | 22 | M20 | 36 | 2 | 10 | 58 | 8 | 1048 | 130 | 162 |
QW.900.25A | 10 | 1060 | 105 | 168 | |||||||||||||
12 | QW.1000.25 | 1104 | 892 | 78 | 1064 | 936 | 24 | 22 | M20 | 36 | 2 | 10 | 58 | 8 | 1152 | 143 | 182 |
QW.1000.25A | 10 | 1160 | 115 | 185 | |||||||||||||
13 | QW.1000.32 | 1120 | 876 | 90 | 1074 | 926 | 24 | 24 | M22 | 40 | 2 | 10 | 70 | 8 | 1160 | 144 | 227 |
QW.1000.32A | 10 | 1170 | 116 | 232 | |||||||||||||
14 | QW.1120.32 | 1240 | 996 | 90 | 1194 | 1046 | 28 | 24 | M22 | 40 | 4 | 10 | 70 | 10 | 1300 | 129 | 272 |
QW.1120.32A | 12 | 1308 | 108 | 275 | |||||||||||||
15 | QW.1250.32 | 1370 | 1126 | 90 | 1324 | 1176 | 32 | 24 | M22 | 40 | 4 | 10 | 70 | 10 | 1430 | 142 | 302 |
QW.1250.32A | 12 | 1440 | 119 | 309 | |||||||||||||
16 | QW.1400.32 | 1520 | 1276 | 90 | 1474 | 1326 | 36 | 24 | M22 | 40 | 4 | 10 | 70 | 12 | 1584 | 131 | 337 |
QW.1400.32A | 14 | 1596 | 113 | 347 | |||||||||||||
17 | QW.1250.40 | 1390 | 1108 | 102 | 1336 | 1164 | 32 | 26 | M24 | 45 | 4 | 12 | 80 | 10 | 1450 | 144 | 396 |
QW.1250.40A | 12 | 1452 | 120 | 392 | |||||||||||||
18 | QW.1400.40 | 1540 | 1258 | 102 | 1486 | 1314 | 36 | 26 | M24 | 45 | 4 | 12 | 80 | 12 | 1608 | 133 | 448 |
QW.1400.40A | 14 | 1610 | 114 | 443 | |||||||||||||
19 | QW.1600.40 | 1740 | 1458 | 102 | 1686 | 1514 | 40 | 26 | M24 | 45 | 4 | 12 | 80 | 12 | 1812 | 150 | 528 |
QW.1600.40A | 14 | 1820 | 129 | 534 | |||||||||||||
20 | QW.1800.40 | 1940 | 1658 | 102 | 1886 | 1714 | 44 | 26 | M24 | 45 | 4 | 12 | 80 | 14 | 2016 | 143 | 583 |
QW.1800.40A | 16 | 2032 | 126 | 607 | |||||||||||||
21 | QW.1600.50 | 1762 | 1434 | 124 | 1704 | 1496 | 40 | 30 | M27 | 50 | 4 | 12 | 100 | 12 | 1824 | 151 | 714 |
QW.1600.50A | 14 | 1834 | 130 | 727 | |||||||||||||
22 | QW.1800.50 | 1964 | 1634 | 124 | 1904 | 1696 | 44 | 30 | M27 | 50 | 4 | 12 | 100 | 14 | 2044 | 145 | 845 |
QW.1800.50A | 16 | 2048 | 127 | 843 | |||||||||||||
23 | QW.2000.50 | 2162 | 1834 | 124 | 2104 | 1896 | 48 | 30 | M27 | 50 | 6 | 12 | 100 | 16 | 2240 | 139 | 912 |
QW.2000.50A | 18 | 2250 | 124 | 927 | |||||||||||||
24 | QW.2240.50 | 2402 | 2074 | 124 | 2344 | 2136 | 54 | 30 | M27 | 50 | 6 | 12 | 100 | 16 | 2480 | 154 | 1020 |
QW.2240.50A | 18 | 2502 | 138 | 1078 | |||||||||||||
25 | QW.2500.50 | 2662 | 2334 | 124 | 2604 | 2396 | 60 | 30 | M27 | 50 | 6 | 12 | 100 | 18 | 2754 | 152 | 1171 |
QW.2500.50A | 20 | 2760 | 137 | 1175 | |||||||||||||
26 | QW.2500.60 | 2696 | 2304 | 150 | 2626 | 2374 | 60 | 33 | M30 | 56 | 6 | 14 | 122 | 18 | 2790 | 154 | 1677 |
QW.2500.60A | 20 | 2800 | 139 | 1701 | |||||||||||||
Nota:
1. N1 es el número de orificios de lubricación.Copa de aceite M10×1JB/T7940.1~JB/T7940.
2. El pezón de aceite la ubicación se puede cambiar según la aplicación del usuario.
3. n-φ puede cambiar a orificio roscado, el diámetro del orificio roscado es M y la profundidad es 2M.
4. La fuerza tangencial del diente en la forma es la fuerza máxima del diente;la fuerza nominal del diente tangencial es 1/2 de la máxima.
5. 'K' es el coeficiente de reducción del apéndice.
Casa | Sobre nosotros | Productos | Noticias | Solicitud | Apoyo | Contáctenos