| Estado de Disponibilidad: | |
|---|---|
| Cantidad: | |
011.45.1600
XZWD
8482800000
Las bolas ruedan en la carrera circular en cuatro puntos, por lo que puede asumir la fuerza axial, la fuerza radial y el momento de vuelco al mismo tiempo. Esta serie de rodamientos de bolas de contacto de cuatro puntos es adecuada en muchas máquinas de ingeniería, como grúas torre, transportador, máquina de operación de soldadura, grúas pequeñas, excavadoras pequeñas y medianas, etc.
La aplicación del anillo giratorio de bola de contacto de cuatro puntos en grúas es una de las partes importantes de soporte de carga en una grúa.Está conectado con soldadura de mesa giratoria de estructura y cargas complejas.Con el método de elementos finitos como herramienta, se establece un modelo de cálculo de elementos finitos para la corona de giro de cuatro puntos de una grúa sobre camión y se realizan análisis de rigidez y resistencia estructural.
La calidad y la precisión de nuestra fabricación es la clave para asegurar un buen funcionamiento después de muchas operaciones de desmontaje de la grúa. Podemos suministrar varios tipos de aplicaciones de grúas.Nuestros cojinetes de giro se suministran para que los cargadores de barcos carguen y descarguen diversos productos.Es ampliamente utilizado en grúas de barcos, grúas portuarias, grúas en alta mar, grúas de pórtico, etc.
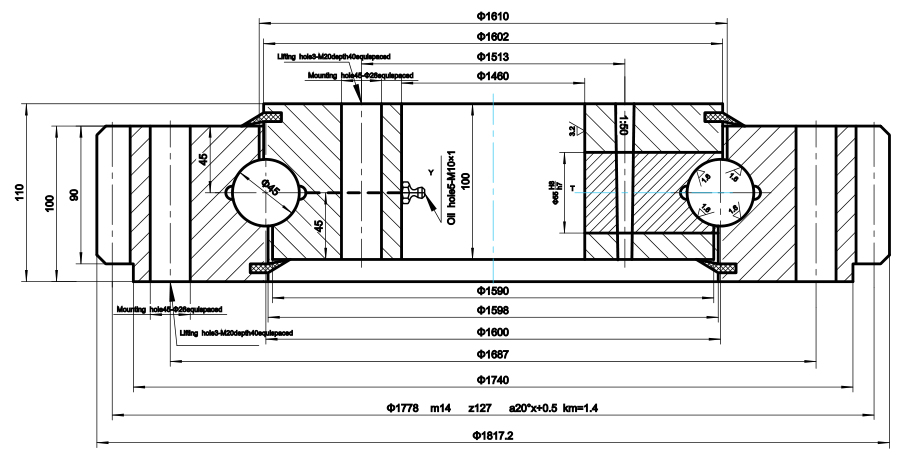
A continuación encontrará las dimensiones detalladas de este modelo:
Cualquier pregunta o consulta, por favor contáctenos.
Las bolas ruedan en la carrera circular en cuatro puntos, por lo que puede asumir la fuerza axial, la fuerza radial y el momento de vuelco al mismo tiempo. Esta serie de rodamientos de bolas de contacto de cuatro puntos es adecuada en muchas máquinas de ingeniería, como grúas torre, transportador, máquina de operación de soldadura, grúas pequeñas, excavadoras pequeñas y medianas, etc.
La aplicación del anillo giratorio de bola de contacto de cuatro puntos en grúas es una de las partes importantes de soporte de carga en una grúa.Está conectado con soldadura de mesa giratoria de estructura y cargas complejas.Con el método de elementos finitos como herramienta, se establece un modelo de cálculo de elementos finitos para la corona de giro de cuatro puntos de una grúa sobre camión y se realizan análisis de rigidez y resistencia estructural.
La calidad y la precisión de nuestra fabricación es la clave para asegurar un buen funcionamiento después de muchas operaciones de desmontaje de la grúa. Podemos suministrar varios tipos de aplicaciones de grúas.Nuestros cojinetes de giro se suministran para que los cargadores de barcos carguen y descarguen diversos productos.Es ampliamente utilizado en grúas de barcos, grúas portuarias, grúas en alta mar, grúas de pórtico, etc.
A continuación encontrará las dimensiones detalladas de este modelo:
Cualquier pregunta o consulta, por favor contáctenos.
Casa | Sobre nosotros | Productos | Noticias | Solicitud | Apoyo | Contáctenos