| Estado de Disponibilidad: | |
|---|---|
| Cantidad: | |
Un cojinete de giro o anillo giratorio es un rotacional rodamiento de elementos rodantes o cojinete liso que normalmente soporta una carga pesada pero de giro lento o de oscilación lenta, a menudo una plataforma horizontal como una convencional grua, a jardinero oscilante, o la plataforma frente al viento de un eje horizontal molino.(To 'slew' significa girar sin cambiar de lugar.)
En comparación con otros cojinetes de elementos rodantes, los cojinetes de giro tienen una sección delgada y, a menudo, se fabrican en diámetros de un metro o más;los cojinetes de giro en el Rueda de Falkirk tienen 4 metros de diámetro y caben sobre un eje de 3,5 metros.Los cojinetes de giro se parecen a los cojinetes de superficie de control de aviones de gran tamaño.
Los rodamientos giratorios suelen utilizar dos filas de elementos rodantes.Suelen utilizar tres la raza elementos, como un anillo interior y dos 'mitades' del anillo exterior que se sujetan axialmente.
Los cojinetes de giro a menudo se fabrican con dientes de engranaje integrales con la pista interior o exterior, que se utilizan para impulsar la plataforma en relación con la base.
En cuanto a otros rodamientos alternativos, en lugar de rotar continuamente, la lubricación puede ser difícil.Él cuña de aceite acumulado en un rodamiento de rotación continua se ve interrumpido por el movimiento de inicio de parada de giro.En cambio, un rodamiento hidrostático Se puede utilizar con flujo de aceite bombeado.
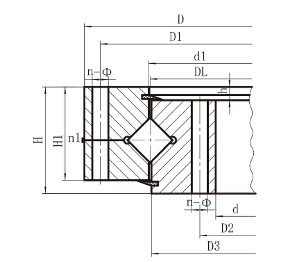
Rodamiento de giro de rodillos cruzados de una hilera, se compone de dos asientos, estructura compacta, alta precisión, espacio libre de montaje pequeño, para requisitos de precisión de instalación altos, el rodillo de 1: 1 dispuesto en cruz, puede soportar fuerza axial al mismo tiempo, el vuelco momento y gran fuerza radial, es ampliamente utilizado para el transporte, maquinaria de ingeniería y productos militares.

No | Modelo formato pdf | Dimensions | Dimensión de montaje | Dimensión estructural | Peso kg | |||||||||
D | d | H | D1 | D2 | n | milímetro | n1 | D3 | d1 | H1 | h | |||
1 | HJB.20.625 | 725 | 525 | 80 | 685 | 565 | 18 | 18 | 3 | 627 | 623 | 68 | 12 | 100 |
2 | HJB.20.720 | 820 | 620 | 80 | 780 | 660 | 18 | 18 | 3 | 722 | 718 | 68 | 12 | 120 |
3 | HJB.30.820 | 940 | 705 | 95 | 893 | 749 | 24 | 20 | 4 | 822 | 818 | 83 | 12 | 210 |
4 | HJB.30.880 | 1000 | 760 | 95 | 956 | 800 | 24 | 20 | 4 | 882 | 878 | 83 | 12 | 230 |
5 | HJB.30.1020 | 1170 | 875 | 95 | 1120 | 930 | 24 | 22 | 4 | 1022 | 1018 | 80 | 15 | 300 |
6 | HJB.36.1220 | 1365 | 1075 | 120 | 1310 | 1130 | 36 | 24 | 6 | 1222 | 1218 | 105 | 15 | 450 |
7 | HJB.36.1250 | 1400 | 1090 | 120 | 1350 | 1150 | 36 | 26 | 6 | 1252 | 1248 | 105 | 15 | 520 |
8 | HJB.36.1435 | 1595 | 1278 | 120 | 1535 | 1335 | 36 | 26 | 6 | 1437 | 1433 | 105 | 15 | 610 |
9 | HJB.45.1540 | 1720 | 1360 | 140 | 1660 | 1420 | 42 | 26 | 6 | 1543 | 4537 | 122 | 18 | 732 |
10 | HJB.45.1700 | 1875 | 1525 | 140 | 1815 | 1585 | 42 | 29 | 6 | 1703 | 1697 | 122 | 18 | 844 |
11 | HJB.45.1880 | 2100 | 1665 | 160 | 2030 | 1740 | 48 | 32 | 6 | 1883 | 1876 | 140 | 20 | 1400 |
12 | HJB.45.2115 | 2325 | 1900 | 160 | 2245 | 1980 | 48 | 32 | 6 | 2118 | 2112 | 140 | 20 | 1600 |
13 | HJB.45.2370 | 2600 | 2146 | 180 | 2520 | 2220 | 48 | 32 | 6 | 2373 | 2367 | 158 | 22 | 2100 |
Un cojinete de giro o anillo giratorio es un rotacional rodamiento de elementos rodantes o cojinete liso que normalmente soporta una carga pesada pero de giro lento o de oscilación lenta, a menudo una plataforma horizontal como una convencional grua, a jardinero oscilante, o la plataforma frente al viento de un eje horizontal molino.(To 'slew' significa girar sin cambiar de lugar.)
En comparación con otros cojinetes de elementos rodantes, los cojinetes de giro tienen una sección delgada y, a menudo, se fabrican en diámetros de un metro o más;los cojinetes de giro en el Rueda de Falkirk tienen 4 metros de diámetro y caben sobre un eje de 3,5 metros.Los cojinetes de giro se parecen a los cojinetes de superficie de control de aviones de gran tamaño.
Los rodamientos giratorios suelen utilizar dos filas de elementos rodantes.Suelen utilizar tres la raza elementos, como un anillo interior y dos 'mitades' del anillo exterior que se sujetan axialmente.
Los cojinetes de giro a menudo se fabrican con dientes de engranaje integrales con la pista interior o exterior, que se utilizan para impulsar la plataforma en relación con la base.
En cuanto a otros rodamientos alternativos, en lugar de rotar continuamente, la lubricación puede ser difícil.Él cuña de aceite acumulado en un rodamiento de rotación continua se ve interrumpido por el movimiento de inicio de parada de giro.En cambio, un rodamiento hidrostático Se puede utilizar con flujo de aceite bombeado.
Rodamiento de giro de rodillos cruzados de una hilera, se compone de dos asientos, estructura compacta, alta precisión, espacio libre de montaje pequeño, para requisitos de precisión de instalación altos, el rodillo de 1: 1 dispuesto en cruz, puede soportar fuerza axial al mismo tiempo, el vuelco momento y gran fuerza radial, es ampliamente utilizado para el transporte, maquinaria de ingeniería y productos militares.

No | Modelo formato pdf | Dimensions | Dimensión de montaje | Dimensión estructural | Peso kg | |||||||||
D | d | H | D1 | D2 | n | milímetro | n1 | D3 | d1 | H1 | h | |||
1 | HJB.20.625 | 725 | 525 | 80 | 685 | 565 | 18 | 18 | 3 | 627 | 623 | 68 | 12 | 100 |
2 | HJB.20.720 | 820 | 620 | 80 | 780 | 660 | 18 | 18 | 3 | 722 | 718 | 68 | 12 | 120 |
3 | HJB.30.820 | 940 | 705 | 95 | 893 | 749 | 24 | 20 | 4 | 822 | 818 | 83 | 12 | 210 |
4 | HJB.30.880 | 1000 | 760 | 95 | 956 | 800 | 24 | 20 | 4 | 882 | 878 | 83 | 12 | 230 |
5 | HJB.30.1020 | 1170 | 875 | 95 | 1120 | 930 | 24 | 22 | 4 | 1022 | 1018 | 80 | 15 | 300 |
6 | HJB.36.1220 | 1365 | 1075 | 120 | 1310 | 1130 | 36 | 24 | 6 | 1222 | 1218 | 105 | 15 | 450 |
7 | HJB.36.1250 | 1400 | 1090 | 120 | 1350 | 1150 | 36 | 26 | 6 | 1252 | 1248 | 105 | 15 | 520 |
8 | HJB.36.1435 | 1595 | 1278 | 120 | 1535 | 1335 | 36 | 26 | 6 | 1437 | 1433 | 105 | 15 | 610 |
9 | HJB.45.1540 | 1720 | 1360 | 140 | 1660 | 1420 | 42 | 26 | 6 | 1543 | 4537 | 122 | 18 | 732 |
10 | HJB.45.1700 | 1875 | 1525 | 140 | 1815 | 1585 | 42 | 29 | 6 | 1703 | 1697 | 122 | 18 | 844 |
11 | HJB.45.1880 | 2100 | 1665 | 160 | 2030 | 1740 | 48 | 32 | 6 | 1883 | 1876 | 140 | 20 | 1400 |
12 | HJB.45.2115 | 2325 | 1900 | 160 | 2245 | 1980 | 48 | 32 | 6 | 2118 | 2112 | 140 | 20 | 1600 |
13 | HJB.45.2370 | 2600 | 2146 | 180 | 2520 | 2220 | 48 | 32 | 6 | 2373 | 2367 | 158 | 22 | 2100 |
Casa | Sobre nosotros | Productos | Noticias | Solicitud | Apoyo | Contáctenos