Vistas:0 Autor:Yingying Zhou Hora de publicación: 2018-08-07 Origen:Sitio
Él Anillo giratorio de bola de contacto de cuatro puntos de una fila se compone de dos anillos de asiento. Presenta un diseño compacto, peso ligero, las bolas entran en contacto con la pista de rodadura circular en cuatro puntos, a través de los cuales la fuerza axial, la fuerza radial y el momento resultante pueden nacer simultáneamente. Puede usarse para transportadores giratorios , consolas de operación de soldadura, grúas ligeras y medianas, excavadoras y otras máquinas de ingeniería.
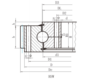
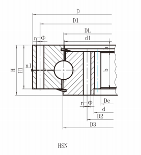
Las coronas de orientación de perfil ligero y prediseñadas de la serie HS cuentan con secciones transversales rectangulares, lo que permite patrones de agujeros alternativos, rigidez mejorada y el potencial para una mayor capacidad.Ideal para grúas, elevadores aéreos, cabrias excavadoras, tolvas giratorias, rotadores de montacargas y plataformas giratorias industriales.


La serie HS comparte la misma dureza de piñón, engranaje y núcleo de carrera.Sin embargo, la corona de giro HS tiene un espacio libre reducido y secciones rectangulares que brindan capacidad adicional, mayor rigidez y menos movimiento que la serie RK. Rodamientos de corona de orientación HS varían en tamaño de 20' a 47' (500 mm a 1200 mm) de diámetro exterior con una sección transversal estándar.Las configuraciones incluyen engranajes internos y sin engranajes (con accesorios en el diámetro exterior) y engranajes externos (accesorios en el diámetro interior).Los engranajes son diseños de casquillos envolventes con ángulos de presión de 20°, fabricados según AGMA Clase Q5 y una tolerancia de 0,015' a 0,025' para la holgura.
Los cojinetes de corona de orientación HS cuentan con dos accesorios para lubricación, separados 180°.Las carreras con engranajes tienen orificios roscados, mientras que las carreras sin engranajes tienen orificios pasantes.Todos tienen sellos integrales diseñados para proteger contra la contaminación.
Los ingenieros de XZWD aplican su experiencia y conocimientos para crear una amplia variedad de soluciones para abordar los desafíos de rodamientos más singulares, lo que convierte a XZWD en el proveedor líder de rodamientos para grúas.
Casa | Sobre nosotros | Productos | Noticias | Solicitud | Apoyo | Contáctenos